你提供的照片可能用于改善必应图片处理服务。
隐私政策
|
使用条款
无法使用此链接。检查链接是否以 "http://" 或 "https://" 开头,然后重试。
无法处理此搜索。请尝试其他图像或关键字。
试用视觉搜索
使用图像搜索、识别对象和文本、翻译或解决问题
将一个或多个图像拖到此处,
上传图像
或
打开相机
将图像放到此处以开始搜索
要使用可视化搜索,请在浏览器中启用相机
English
全部
搜索
图片
灵感
创建
集合
视频
地图
资讯
更多
购物
航班
旅游
笔记本
自动播放所有 GIF
在这里更改自动播放及其他图像设置
自动播放所有 GIF
拨动开关以打开
自动播放 GIF
图片尺寸
全部
小
中
大
特大
至少... *
自定义宽度
x
自定义高度
像素
请为宽度和高度输入一个数字
颜色
全部
仅限颜色
黑白
类型
全部
照片
剪贴画
素描
动画 GIF
透明
版式
全部
方形
横版
高
人物
全部
仅脸部
半身像
日期
全部
过去 24 小时
过去一周
过去一个月
去年
授权
全部
所有创作共用
公共领域
免费分享和使用
在商业上免费分享和使用
免费修改、分享和使用
在商业上免费修改、分享和使用
详细了解
清除筛选条件
安全搜索:
中等
严格
中等(默认)
关闭
筛选器
768×1024
scribd.com
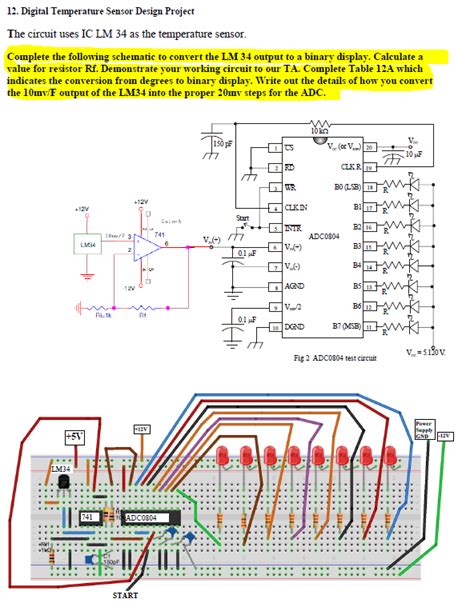
Introduction To Temperature …
1344×561
resources.altium.com
Temperature Sensor Project: Digital Temperature Sensor ICs | Project | Altium
1600×810
resources.altium.com
Temperature Sensor Project: Digital Temperature Sensor ICs | Project | Altium
1280×720
fity.club
Digital Temperature Sensor
1000×1000
fity.club
Digital Temperature Sensor
1200×600
github.com
GitHub - shazforiot/Arduino-based-temperature-sensor-Project: Arduino based temperature sensor ...
1440×1080
trybotics.com
Simple LED Digital Temperature Sensor | Trybotics
2100×1750
www.instructables.com
Arduino Temperature Sensor Project - Instructables
474×474
electronicmanufacturingservice.org
temperature sensor project intro - EMS
320×320
researchgate.net
6: Digital Temperature Sensor | Download …
4032×2853
diyprojectslab.com
DHT11/22 Humidity Temperature Sensor With Ard…
404×269
circuitspedia.com
Temperature Sensor Project
600×338
pic-microcontroller.com
Digital Temperature Sensor Circuit
1011×488
www.digikey.com
Scheme-it | Digital_temperature_sensor | DigiKey
768×1024
scribd.com
Digital Temperature Se…
592×764
chegg.com
Solved 12. Digital Temperature Se…
3264×2448
github.com
GitHub - BrianDeJesus/Temperature-Sens…
800×800
usa.storage-accessories.com
DIGITAL TEMPERATURE SENS…
768×1024
scribd.com
Digital Thermometer Using Temperature …
4097×2768
nevonprojects.com
Precise Digital Temperature Controller Project
570×690
fypdeveloper.com
Body temperature measuring using a digit…
736×884
www.pinterest.com
Temperature Sensor Project with Graphing …
1024×1024
mechatronicslab.net
Temperature sensor with Arduino
736×613
www.pinterest.com
Arduino Based Digital Temperature Sensor
577×480
Altium
Temperature Sensor Project: Intro | Blogs | Altium
1201×628
Altium
Temperature Sensor Project: Intro | Blogs | Altium
1598×986
utpaqp.edu.pe
Digital Temperature Sensor Arduino
1600×980
utpaqp.edu.pe
Digital Temperature Sensor Arduino
2783×3032
ar.inspiredpencil.com
Temperature Sensor
800×320
cytrontech.vn
PROJECT 6 - TEMPERATURE SENSOR TO LCD DISPLAY
1300×956
Alamy
Temperature sensor hi-res stock photography and images - Alamy
575×725
github.com
GitHub - RazGoelman/Temp…
1150×722
tinytapeout.com
47 Synthesizable Digital Temperature Sensor :: Quicker, easier and cheaper to make your …
1256×720
how2electronics.com
Arduino DS18B20 Temperature Sensor Digital Thermometer
570×437
embedded-lab.com
chipKIT Project 1: Digital thermometer using an LM34 sensor | Embedded …
某些结果已被隐藏,因为你可能无法访问这些结果。
显示无法访问的结果
报告不当内容
请选择下列任一选项。
无关
低俗内容
成人
儿童性侵犯
反馈